解决方案
SOLUTION

时间: 2025-11-19
浏览量: 316
引言
量程在 10000g以上的高 g值 MEMS 加速度计广泛应用于航天、军事技术以及科学实验等领域!。研究者通过采用不同的敏感原理,已经对多种形式的 MEMS 加速度传感器进行了研究,主要有压阻式、电容式、热流式、谐振式等。压阻式加速度计具有结构简单、线性度高、后端信号易处理的优点。2022年哈尔滨工业大学张宇中研究了一种量程为50 000g的压阻式高g值加速度计,灵敏度为0.48 μV/g;2020年合肥工业大学许高斌等研究了量程为2000g的压阻式加速度计,谐振频率为294 kHz;2019年中北大学林立娜等设计了量程为100g的单轴压阻式加速度计,灵敏度为0.64 mV/g,具有低横向灵敏度的特点。本文结合 MEMS 压阻模块,设计了一款高灵敏度、小尺寸的四端梁结构的压阻式加速度计,系统级的计算可以提高仿真的准确性。
1 工作原理
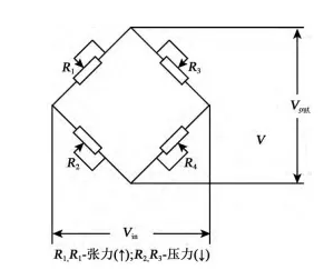
MEMS 压阻式加速度传感器的工作原理与压阻式压力传感器相同,也是基于压阻效应,在压阻式加速度计中常见的结构有单悬臂梁、双悬臂梁、四端悬臂梁、双四端悬臂梁结构。在悬臂梁的应力集中区布置四个压敏电阻,以惠斯通电桥的方式连接,如图1所示。当传感器有加速度信号时,悬臂梁发生形变,压敏电阻受压导致阻值变化,从而产生电压输出,即可将加速度变化转换成电信号。

图1惠斯通电桥
2 仿真设计
2.1传感器结构设计
依据项目的实际需求,确立设计指标,量程为50 000g,固有频率大于等于 100 kHz,灵敏度大于等于7 μV/g,横向灵敏度小于 1%,响应时间小于25μs。本文设计的高g值加速度传感器采用四端悬臂梁结构,版图如图2所示。压敏电阻采用p型硅,掺杂浓度为 1.03x10¹8,方阻为 425 Ω/□,布置在悬臂梁靠近质量块的一端。压敏电阻采用固定的参数,长宽分别为 60,5 μm,节深为1μm,与质量块的距离为 25 μm。

图2四端悬臂梁结构
2.2仿真优化
由第一部分可知压阻式加速度计是基于压阻效应工作的,惠斯通电桥的输出与压敏电阻所处位置的应力有关,而悬臂梁、质量块的尺寸都会影响传感器的灵敏度,同时还会影响固有频率、响应时间、横向灵敏度等关键指标。因此,本文通过对传感器结构建模,并对结构参数进行参数化,分析传感器的静态、动态指标。
在仿真中耦合了电流、固体力学物理场,其中在电流物理场中添加压阻模块,选择坐标系并设置压阻系数。固体力学模块中在传感器的外框底面施加固定支撑,规定正方向为Z方向,施加50000g的加速度体载荷。为了提高计算时效,仿真时将金属引线部分去除,在软件中将压敏电阻的各面通过电流接口相连接。网格划分会影响计算的准确性,因此对网格单独划分,得到平均网格质量为0.8的优质网格。
2.2.1 悬臂梁与质量块仿真
为了探究悬臂梁和质量块对传感器性能的影响,研究了不同长度、宽度、高度下的应力与灵敏度的关系,尺寸如表1所示。
表1 敏感结构尺寸

表1 敏感结构尺寸通过初步仿真得到应力、位移分布云图,如图3所示。由图3可判断出该设计方案的最大应力分布在悬臂梁与传感器外框、质量块连接处两侧,为了保证设计的安全性,最大应力应小于硅材料许用应力340 MPa,即满量程工作的情况下传感器的物理结构不发生破坏。因此,仿真首先需要重点考核的是满量程情况下应力在最大许用应力内的同时灵敏度也要满足要求,悬臂梁、质量块不同尺寸对结构应力和灵敏度的影响如图 4~7 所示。

图3 应力和位移云图
由图4~7的关系图可以得出,加速度计的灵敏度与应力随悬臂梁的长度变长而变大,随厚度和宽度的变大而变小,质量块边长越长灵敏度越高。结合应力和灵敏度的要求,初步判断传感器尺寸为悬臂梁长为 400 或 450 um、宽为 100 μm、高为 65 或70 um,质量块边长为 800 μm。

图4悬臂梁长度对应力和灵敏度的影响

图5悬臂梁宽度对应力和灵敏度的影响。

图6悬臂梁厚度对应力和灵敏度的影响

图7质量块边长对应力和灵敏度的影响
结合横向灵敏度指标要求再次确认传感器尺寸,横向灵敏度以主轴灵敏度的百分比表示。在传感器的X,Y轴分别施加 50 000g的加速度体载荷。仿真得到X 轴的输出最大为 1.2 mV,Y轴的输出最大为 0.5 mV,Z轴的输出为 368.47 mV,因此X,Y轴的横向灵敏度分别为0.33%和0.14%,均满足设计要求。
2.2.2 模态分析
加速度计在受到与固有频率相接近的频率激励时,传感器会产生共振现象,破坏传感器的结构。因此本文研究了加速度计的六阶频率和振型,其一阶频率即为固有频率,只要工作频率低于一阶固有频率即可认为传感器工作在安全区。当悬臂梁长度为450 μm 时,固有频率为 95.8 kHz,厚度为 65 μm 时固有频率为99.8kHz,均不满足设计要求,将悬臂梁长度、厚度分别设置为400和70μm,仿真得到名阶频率及振型,如图8所示。由图8可知,传感器的固有频率为 111.2 kHz,满足设计要求。

图8各阶振型及频率
2.2.3 动态响应的分析
对于高g值压阻式加速度传感器,动态性能对响应时间有一定的要求。通过仿真分析了传感器的响应时间。压阻式加速度传感器可认为是一个二阶系统。当有一个阶跃输入后,传感器最终稳定值的10%变化到最终值的90%所需要的时间即为上升时间,响应时间是指输出量从开始变化到示值进入最终值的规定范围内所需时间。建立一个与时间有关的函数,链接到输入载荷,在1μs 设置阶跃,经过仿真计算,可得传感器上升时间的间隔是 1.1~2.2μs,因此传感器上升时间为1.1 μs,在 21.3μs 时传感器输出达到稳定,因此响应时间为 20.3 μs,阶跃响应曲线如图 9所示。

图9 阶跃响应曲线
2.2.4 抗冲击分析
由图3仿真应力位移云图可以得知,敏感元件即悬臂梁和质量块部位,当加速度在工作量程内,敏感元件发生的弹性形变可以恢复,如果传感器工作在超量程情况下,敏感元件发生的弹性形变不可恢复。当物体在经历一定的应力后进入屈服阶段时,材料就会发生塑性变形。其等效应力极限强度是一不变的定值,由材料的属性决定,硅的极限强度是杨氏模量的 1%。硅材料杨氏模量为 169 GPa,所以硅的极限强度为1.69 GPa,以此作为传感器的冲击极限应力,通过仿真计算,得到在加速度为334 000 g时应力为1.69 GPa,耐冲击为量程的6.67倍。在工作量程内的电压输出如图10所示,计算得到传感器的线性度为 0.06%。

图10 传感器输出与拟合曲线
总结
本文介绍了一种四端梁结构的MEMS压阻式加速度传感器,采用系统级仿真方法,通过仿真得到传感器的结构尺寸。在50kg量程内,传感器轴向灵敏度达到 7.40 μV/g,横向灵敏度优于 0.33%。响应时间为20.3 μs,固有频率为111.2kHz,线性度为0.06%,抗冲击性能达到334 000g,满足高g值环境下的测试需求。
免责申明:所有信息均源于网络,相关内容仅供参考学习,所有转载及汇编内容,均不代表本公众号赞同其观点,不能完全保证其真实性。如若本公众号无意侵犯媒体或个人知识产权,请私信联系,我们将立即予以删除。